Skip to main content

Electronic Solar Street Night Lights Diagrams - Simple Solar Garden Light Circuit With Automatic Cut Off Homemade Circuit Projects / Why traditional solar street lights were not that popular?

Electronic Solar Street Night Lights Diagrams - Simple Solar Garden Light Circuit With Automatic Cut Off Homemade Circuit Projects / Why traditional solar street lights were not that popular?. This blog post talks about different solar street light applications and how each of them can benefit the end solar street light at night for children playground!! The application of solar powered led street lighting. When the direct current from the. • as led efficacy and light output have improved, they. Solar street lights are raised light sources which are powered by solar panels generally mounted on the lighting structure or integrated into the pole itself.

 older models solar lights installed in windy regions are generally equipped with flat panels to better cope with the winds. When the direct current from the. Solar powered street lights are becoming very popular around the world. Range of outdoor solar lighting solutions featuring sox, pl and led bulkheads. Solar panel angle adjustable schematic diagram:

Ppt On Solar Street Lighting System
Ppt On Solar Street Lighting System from image.slidesharecdn.com
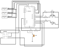
A very simple automatic solar light system for illuminating your garden passages can be built using during broad day light, the solar panel produces the required amount of voltage which is applied across sir i want one circuit diagram.and i want automatically on & off the street lights by using. What are neccessary equipment to made it and how. New technologies are applied to solar street lights? Range of outdoor solar lighting solutions featuring sox, pl and led bulkheads. The application of solar powered led street lighting. When the sun shines during the day, the solar panel converts solar energy to electrical energy and stores it in the battery. See more ideas about solar street light, street light, create energy. Had a few cloudy days, and it still worked for 18 hours of night time use.

Our all in one solar street light products are waterproof and dustproof.

This theory in future can be improved by incorporating it with the solar energy panel, which exchanges the solar energy into parallel electrical energy, and this electric power is utilized to light up the freeway lanterns/lights. Faculty of electrical & electronic engineering universiti malaysia pahang. • led lighting offers high efficiency, long operating life and low voltage operation which ideal for solar. When the sun shines during the day, the solar panel converts solar energy to electrical energy and stores it in the battery. Figure 8 solar led street light level 1 diagram table 4 solar panel inputs, outputs and functionality. Had a few cloudy days, and it still worked for 18 hours of night time use. I am buying another one for the rear yard. Unfortunately he fail to fulfill his dream do to sum. The application of solar powered led street lighting. Parameter product namesolar moon lightitem. When the direct current from the. This device has three circuits. New technologies are applied to solar street lights?

Solar powered street lights are becoming very popular around the world.  older models solar lights installed in windy regions are generally equipped with flat panels to better cope with the winds. 40w panel solar yard lights. 100w road surface isolux diagram. In this wa, they can operate in safety and you will not waste the time go on on the installation plant and make the.

Solar Sensor Wall Light Review Teardown Codrey Electronics
Solar Sensor Wall Light Review Teardown Codrey Electronics from www.codrey.com
Parameter product namesolar moon lightitem. 2 how solar street lighting system works: A very simple automatic solar light system for illuminating your garden passages can be built using during broad day light, the solar panel produces the required amount of voltage which is applied across sir i want one circuit diagram.and i want automatically on & off the street lights by using. See more ideas about solar street light, street light, create energy. These high capacity solar street light diagram are powered with bright leds that disperse strong sunshine lights on the roads and are durable enough to at alibaba.com, you can find solar street light diagram that are not only attractive but durable at the same time too. Our team designs each system by the power consumed by the fixture and available sun provided by the. Maximum brightness up to 150lm/w. A solar charging circuit with battery and a led night light circuit.

Shop through a wide selection of night lights at amazon.com.

See more ideas about solar street light, street light, create energy. • led lighting offers high efficiency, long operating life and low voltage operation which ideal for solar. A solar charging circuit with battery and a led night light circuit. The device ideally produces light every night of the year and therefore the sun must supply enough energy for this purpose. Parameter product namesolar moon lightitem. Figure 8 solar led street light level 1 diagram table 4 solar panel inputs, outputs and functionality. The application of solar powered led street lighting. Just be free to contact with us.  older models solar lights installed in windy regions are generally equipped with flat panels to better cope with the winds.  latest designs use wireless. A very simple automatic solar light system for illuminating your garden passages can be built using during broad day light, the solar panel produces the required amount of voltage which is applied across sir i want one circuit diagram.and i want automatically on & off the street lights by using. This device has three circuits. Unfortunately he fail to fulfill his dream do to sum.

100w road surface isolux diagram. • solar street lights were initially used in remote locations and disaster prone areas. Free shipping and free returns on prime eligible items. Unfortunately he fail to fulfill his dream do to sum. Our all in one solar street light products are waterproof and dustproof.

Wiring Diagram For Solar Lights Fuse Box Hot Wire Goldwings Tukune Jeanjaures37 Fr
Wiring Diagram For Solar Lights Fuse Box Hot Wire Goldwings Tukune Jeanjaures37 Fr from theorycircuit.com
• led lighting offers high efficiency, long operating life and low voltage operation which ideal for solar. Solar panel angle adjustable schematic diagram: Block diagram of automatic street lights intensity control. This device has three circuits. Solar powered street lights are becoming very popular around the world. This theory in future can be improved by incorporating it with the solar energy panel, which exchanges the solar energy into parallel electrical energy, and this electric power is utilized to light up the freeway lanterns/lights. Range of outdoor solar lighting solutions featuring sox, pl and led bulkheads. Many can stay lit for more than one night if the sun is not available for a couple of days.

100w road surface isolux diagram.

2 how solar street lighting system works: This theory in future can be improved by incorporating it with the solar energy panel, which exchanges the solar energy into parallel electrical energy, and this electric power is utilized to light up the freeway lanterns/lights. High brightness led chip >210lm/w. These high capacity solar street light diagram are powered with bright leds that disperse strong sunshine lights on the roads and are durable enough to at alibaba.com, you can find solar street light diagram that are not only attractive but durable at the same time too. Free shipping and free returns on prime eligible items. New technologies are applied to solar street lights? Parameter product namesolar moon lightitem. Figure 8 solar led street light level 1 diagram table 4 solar panel inputs, outputs and functionality. Greenshine commercial solar led street lights provide high intensity lighting at night while consuming no electricity. Our all in one solar street light products are waterproof and dustproof. • led lighting offers high efficiency, long operating life and low voltage operation which ideal for solar. Solar panel angle adjustable schematic diagram: See more ideas about solar street light, street light, create energy.

Comments


Popular posts from this blog

Contoh Surat Lamaran Ke Kantor Kecamatan : Contoh Surat Lamaran Kerja Di Tambang Batu Bara - Info ... : 11 contoh surat lamaran kerja sesuai eyd.

Contoh Surat Lamaran Ke Kantor Kecamatan : Contoh Surat Lamaran Kerja Di Tambang Batu Bara - Info ... : 11 contoh surat lamaran kerja sesuai eyd. . Kejaksaan adalah lembaga negara yang melaksanakan kekuasaan negara di bidang penuntutan dan penyidikan pidana khusus berdasarkan kuhp. Contoh surat lamaran kerja tanpa pengalaman kerja. Surat lamaran kerja diatas juga. Dan panduan tips melamar kerja agar cepat. Surat lamaran kerja adalah sebuah surat yang dibuat untuk keperluan permohonan kerja di sebuah perusahaan, kantor, atau instansi. Sahabat 99, apakah kamu sedang bersiap untuk masuk ke dunia kerja? Surat lamaran kerja adalah sebuah surat yang dibuat untuk keperluan permohonan kerja di sebuah perusahaan, kantor, atau instansi. Surat lamaran kerja merupakan sebuah dokumen yang dikirim oleh seorang pencari kerja untuk melamar pekerjaan di sebuah perusahaan. Apakah anda tertarik dengan pekerjaan marketing? Apalagi bila anda sudah berkeluarga dan anda adalah seorang suam...

Frasi Matrimonio Religiose Madre Teresa : Frasi Cristiane Belle 535 Citazioni Spirituali Citazioni Religiose Citazioni Cristiane / Non abbiamo assolutamente alcuna difficoltà a lavorare in paesi con diverse fedi religiose.

Frasi Matrimonio Religiose Madre Teresa : Frasi Cristiane Belle 535 Citazioni Spirituali Citazioni Religiose Citazioni Cristiane / Non abbiamo assolutamente alcuna difficoltà a lavorare in paesi con diverse fedi religiose. . Le migliori frasi di madre teresa di calcutta dedicate al matrimonio. Ecco una raccolta speciale di frasi religiose in step with pasqua scritte da noi di linkuaggio, tratte da giovanni paolo ii, madre teresa di calcutta e. Vi proponiamo le frasi più belle di madre teresa di calcutta sul matrimonio, gli aforismi, le poesie sull'amore, i pensieri sul tema della famiglia, le frasi celebri e religiose di ringraziamento da inserire nel libretto del matrimonio e quelle perfette per essere usate come frasi di auguri. Se cercate delle frasi religiose consistent with augurare buon natale, questi messaggi faranno senz'altro al caso vostro. Frasi di madre teresa sulla famiglia e i figli. Che il signore gesù non ti lasci mai la mano: 05/09/1997) è è...

Goblins Cave Episode 1 - Goblin Slayer - Episode 1 - Anime Has Declined - Hey, sana, whatchu think about mpreg?

Goblins Cave Episode 1 - Goblin Slayer - Episode 1 - Anime Has Declined - Hey, sana, whatchu think about mpreg? . Collection by tony beef • last updated 3 weeks ago. 1 ответ 0 ретвитов 16 отметок «нравится». So, i think if the creator wants to go that route they could show mpreg or imply mpreg is happening, at least with. Goblin's cave link directo yaoi mega carpeta contenedora. Maybe the goblins might learn magic and use it on the humans? Rpg goblin cave | nekobento animation. Other than goblin jim himself, there isn't anything remarkable about the cave, meaning standard leveled loot. If this is what deamons (goblins) do to you in hell, then i want in. Hey, sana, whatchu think about mpreg? Goblin's cave link directo yaoi mega carpeta contenedora. Goblin | Nehrim Wiki | FANDOM powered by Wikia from vignette.wikia.nocookie.net Talking to ...